会社情報
ニュース
製品情報
NIPPACHIくん他
EV Slim min.
DVRR BASE
超広域CT
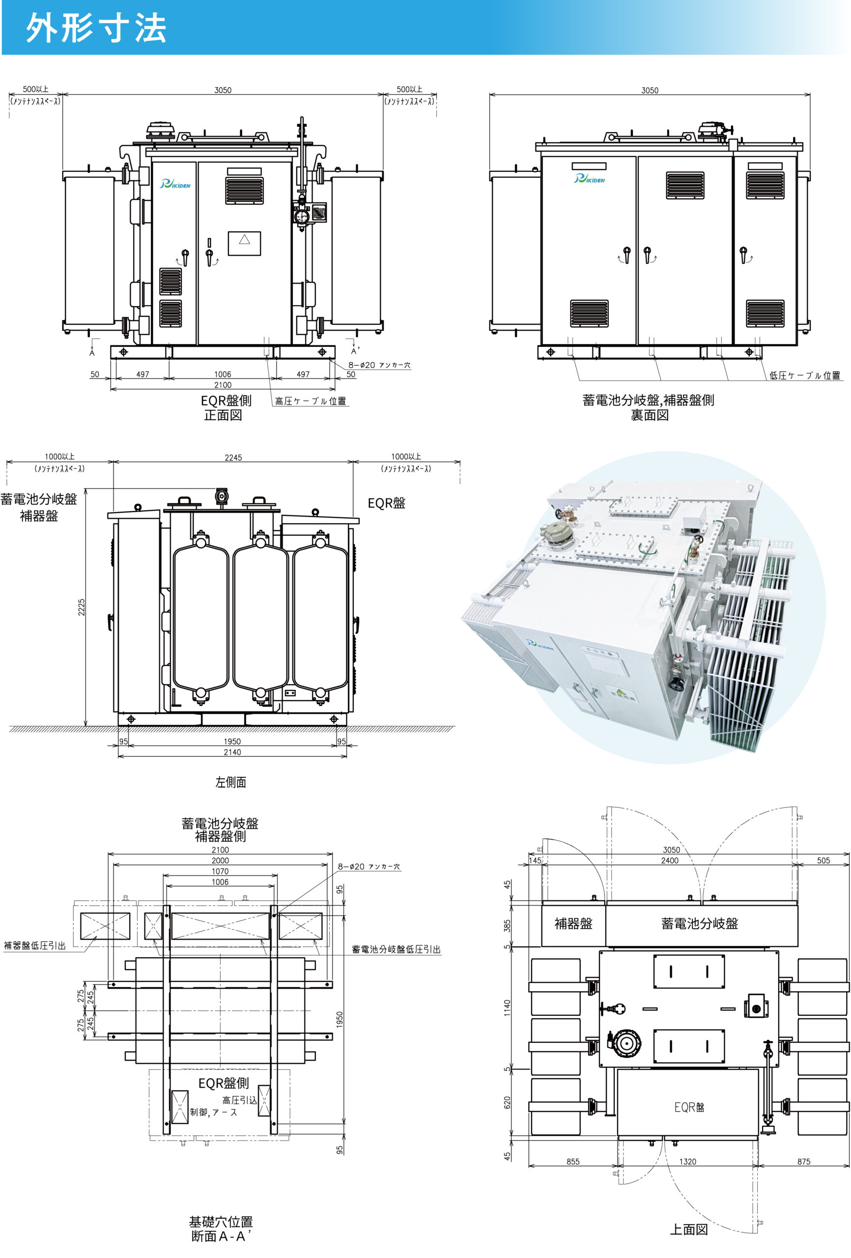
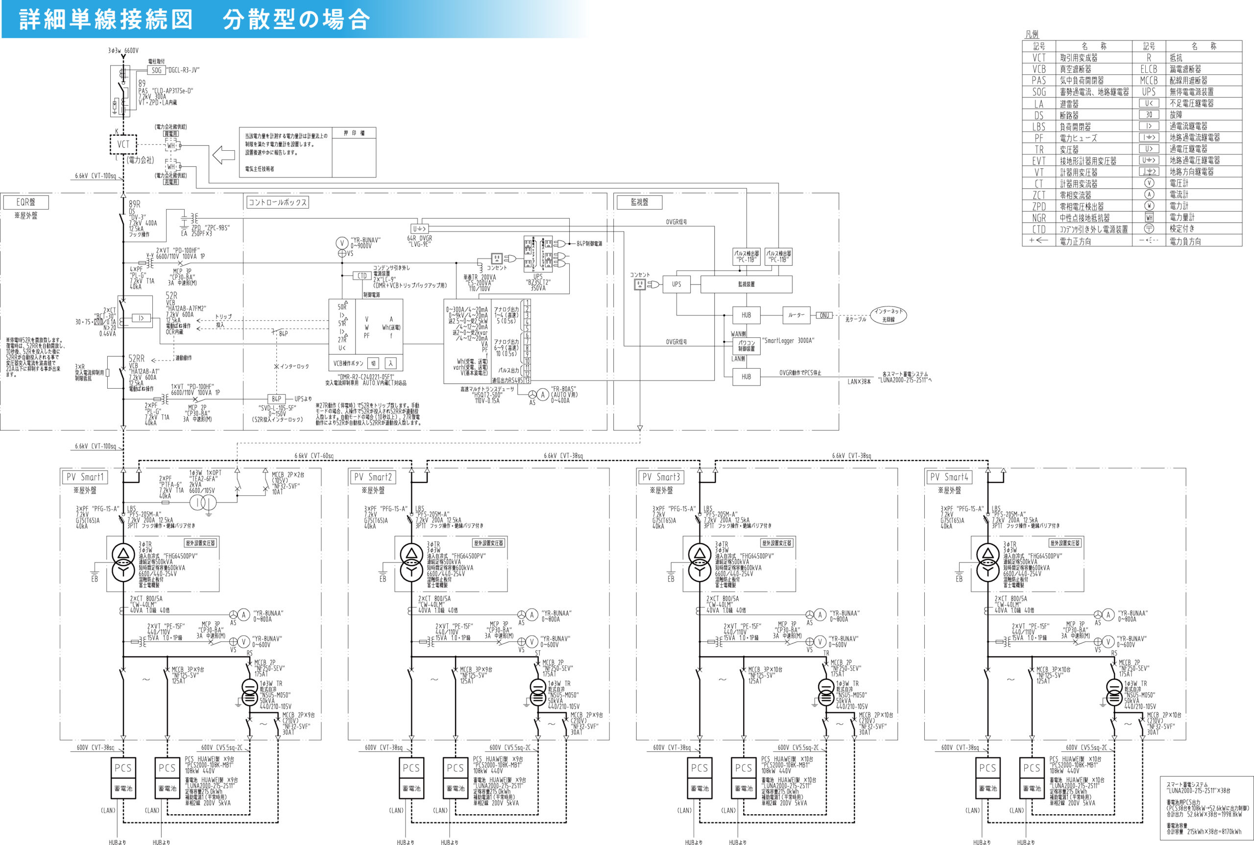
EQRシリーズ
DVRR SET
EV Slim
EV Flex
PV Smart
全自動全負荷切替盤
採用情報
お問い合わせ
会社情報
製品情報
NIPPACHIくん他
EV Slim min.
DVRR BASE
超広域CT
EQRシリーズ
DVRR SET
EV Slim
EV Flex
PV Smart
全自動全負荷切替盤
ニュース
採用情報
お問合わせ
プライバシーポリシー
PRODUCTS
製品情報
一体型/分散型
蓄電所用高圧受変電設備
CONTACT
お問い合わせ
お問合せはお電話またはフォームより
お気軽にご連絡ください
電話からのお問合わせ
0877-89-6663
受付時間 8:00 - 17:30(平日)
香川県で電力製品を開発・製造|株式会社 力電
フォームからの
お問合わせ